Informations produits
-
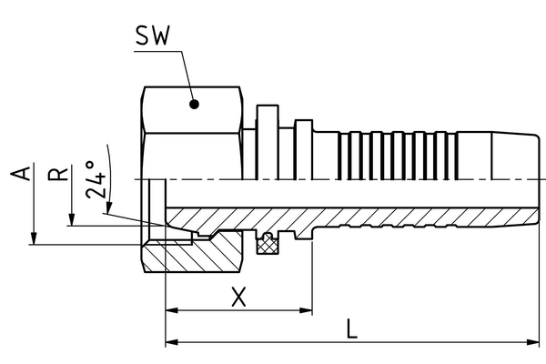
Données techniques
DN: 16 Size: 10 Pouce: 5/8 Filetage + norme: Cône d’étanchéité avec écrou-raccord, série lourde Filetage de raccord A: M30x2,0 Ø tube R [mm]: 20 X [mm]: 34,1 L1 [mm]: 72,6 SW1 [mm]: 36 Désignation de raccord Indunorm: MSF Forme: 0° Gamme d'embout à sertir: Programme universel XV Matériau: Acier de décolletage Surface: Chrome III Type de raccord: DKS

