Productinformatie
-
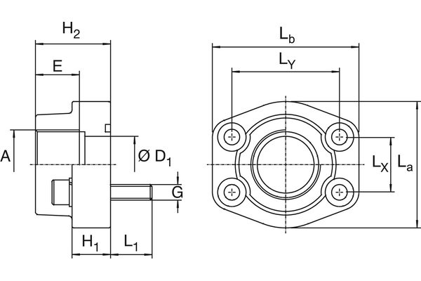
Technische gegevens
DN: 31 Size: 20 Inch: 1.1/4 Bedrijfsdruk [bar]: 278 L1 [mm]: 18 H1 [mm]: 21 H2 [mm]: 41 G: M10 A: G 1.1/4 E [mm]: 22 La [mm]: 69 Lb: 80 Lx [mm]: 30,2 Ly [mm: 58,7 Ø D1 [mm]: 31

