Ons servicenummer:

+49 2845 2950-0

Wij kijken uit naar uw bericht!

Contactformulier

Inloggen bij de InduShop:

Aanmelden
  • Welkom bij Indunorm Hydraulik | Alleen voor professionals
  • 5€ Vroegbestelkorting
  • Gratis levering vanaf 250€
  • Technisch advies

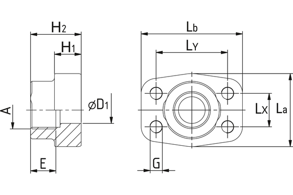
Inschroefcontraflens 3000 PSI

Gegevens

DN
16/19
25
31
38
50
Size
12
16
20
24
32
Inch
3/4
1
1.1/4
1.1/2
2
Bedrijfsdruk [bar]
350
315
250
200
200
H1 [mm]
18
18
21
25
25,5
H2 [mm]
36
38
41
44
45
G
M10
M10
M10
M12
M12
Aantal
 

Toebehoren

Maak voor het aanpassen op andere types draad en afdichtingen gebruik van ons ruime assortiment koppelingen.

Naast Indunorm-producten distribueren we ook merkproducten: