Productinformatie
-
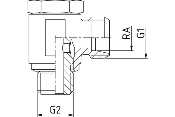
Technische gegevens
Bedrijfsdruk [bar]: 160 Barstdruk [bar]: 640 Leidingdiam. R [mm]: 20 Schroefdraad [G1]: M30x2 Schroefdraad [G2]: G3/4" Serie: S Aansluitingmethode 1: Metrisch 24° Aansluitingmethode 2: Zöllig Materiaal: Automatenstahl Oppervlak: ZnNi Uitvoering: Winkel

