Ons servicenummer:

+49 2845 2950-0

Wij kijken uit naar uw bericht!

Contactformulier

Inloggen bij de InduShop:

Aanmelden
  • Welkom bij Indunorm Hydraulik | Alleen voor professionals
  • 5€ Vroegbestelkorting
  • Gratis levering vanaf 250€
  • Technisch advies

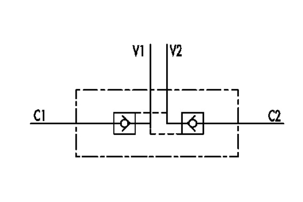
Terugslagklep - dubbelwerkend - RSV-DW

Gegevens

Bedrijfsdruk [bar]
350
350
350
350
350
350
300
Schroefdraad + norm
G 1/4" L
G 3/8" L
G 1/2" L
G 3/8"
M18x1,5 L
G 1/2"
G 3/4"
Bevestigingsschroefdraad
1/4" L
3/8" L
1/2" L
3/8"
M18x1,5 L
1/2"
3/4"
Gewicht [kg]
0,636
0,736
1,042
1,174
0,630
1,284
1,916
L1 [mm]
113
128
142
156
118
144
192
maximale stroomsnelheid [ltr / min]
20
35
50
45
35
70
100
Openingdruk
4
3
6
8
4
3,5
2
H [mm]
40
40
45
45
40
60
60
pilot ratio
1:5,5
1:5,5
1:5
1:5
1:5,5
1:4
1:4
V1-V2 C1-C2 [GAS - MET]
G 1/4" L
G 3/8" L
G 1/2" L
G 3/8"
M18x1,5 L
G 1/2"
G 3/4"
L [mm]
64
80
90
90
68
80
100
S [mm]
30
30
35
35
30
35
40
Aantal
 

Naast Indunorm-producten distribueren we ook merkproducten: