Productinformatie
-
Technische gegevens
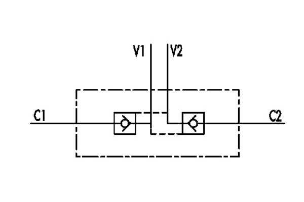
Bedrijfsdruk [bar]: 350 Schroefdraad + norm: G 3/8" L Bevestigingsschroefdraad: 3/8" L Gewicht [kg]: 0,736 L1 [mm]: 128 maximale stroomsnelheid [ltr / min]: 35 Openingdruk: 3 H [mm]: 40 pilot ratio: 1:5,5 V1-V2 C1-C2 [GAS - MET]: G 3/8" L L [mm]: 80 S [mm]: 30 L2 [mm]: 38 L3 [mm]: 8

