Notre numéro de service :

+49 2845 2950-0

Nous attendons votre message avec impatience !

Formulaire de contact

Se connecter dans InduShop

Se connecter
Speciale aanbieding
Du 29/04/2026 au 01/07/2026
  • Bienvenue chez Indunorm Hydraulik | Réservé aux professionnels
  • 5€ Avantage en cas de commande tôt le matin
  • Livraison gratuite à partir de 250€
  • Conseil technique

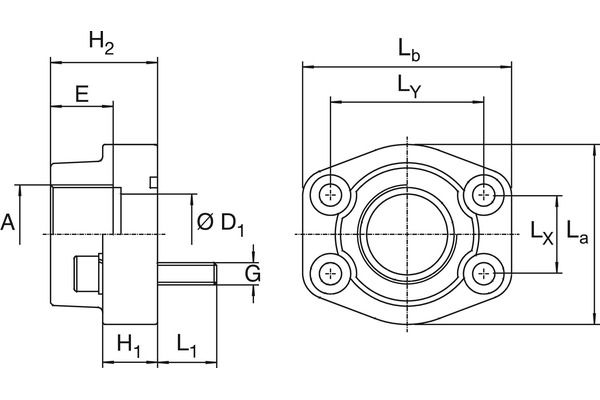
Bride à visser 3000 PSI

Détails

DN
12
16/19
25
31
38
51
Size
08
12
16
20
24
32
Pouce
1/2
3/4
1
1.1/4
1.1/2
2
Pression de service [bar]
350
350
315
250
200
200
L1 [mm]
14
16
16
18
18
18
H1 [mm]
16
18
18
21
25
25,5
H2 [mm]
36
36
38
41
44
45
G
M8
M10
M10
M10
M12
M12
Quantité
 

En plus des produits Indunorm, nous distribuons entre autres des produits des marques suivantes :