Notre numéro de service :

+49 2845 2950-0

Nous attendons votre message avec impatience !

Formulaire de contact

Se connecter dans InduShop

Se connecter
Speciale aanbieding
Du 01/08/2025 au 03/09/2025
Promotion spéciales
  • Bienvenue chez Indunorm Hydraulik | Réservé aux professionnels
  • 5€ Avantage en cas de commande tôt le matin
  • Livraison gratuite à partir de 250€
  • Conseil technique

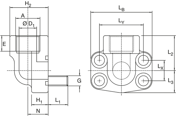
Bride à angle droit filetée 90° 3000 PSI

Détails

Référence
DN
25
31
Size
16
20
Pouce
1
1.1/4
Pression de service [bar]
315
250
L1 [mm]
15
17
H1 [mm]
19
21
H2 [mm]
44,5
53,5
G
M10
M10
Quantité
 

En plus des produits Indunorm, nous distribuons entre autres des produits des marques suivantes :