Notre numéro de service :

+49 2845 2950-0

Nous attendons votre message avec impatience !

Formulaire de contact

Se connecter dans InduShop

Se connecter
Speciale aanbieding
Du 29/04/2026 au 01/07/2026
  • Bienvenue chez Indunorm Hydraulik | Réservé aux professionnels
  • 5€ Avantage en cas de commande tôt le matin
  • Livraison gratuite à partir de 250€
  • Conseil technique

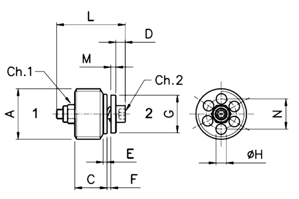
Clapet pour dispositif de protection contre la rupture de tuyau et de tube RBS

Détails

DN
6
10
12
20
Pression de service [bar]
350
350
350
350
L1 [mm]
19
23
29
34
SW1 [mm]
5,5
5,5
7
7
SW2 [mm]
2,5
2,5
3
3
Filetage [G]
1/4" / 10mm
3/8" / 12,5mm
1/2" / 15mm
3/4" / 17mm
l/min pour ΔP=2 bar
25
50
80
150
Quantité
 

Avantages

Prévient les accidents dus à la chute de charges dans les applications de levage. Prévient les fuites d'huile et les dommages consécutifs dans l'environnement. Réponse rapide en cas de rupture de tuyau. Dimensions réduites - également pour un montage direct sur le raccord du vérin. Courant de fermeture réglable. Facilité d'utilisation. Sans entretien.

Conseils pratiques

Pour une sécurité maximale, la vanne doit être montée le plus près possible du consommateur (cylindre). Le volume de réponse doit être réglé à 50% au-dessus du débit nominal (débit volumétrique).

En plus des produits Indunorm, nous distribuons entre autres des produits des marques suivantes :