Informations produits
-
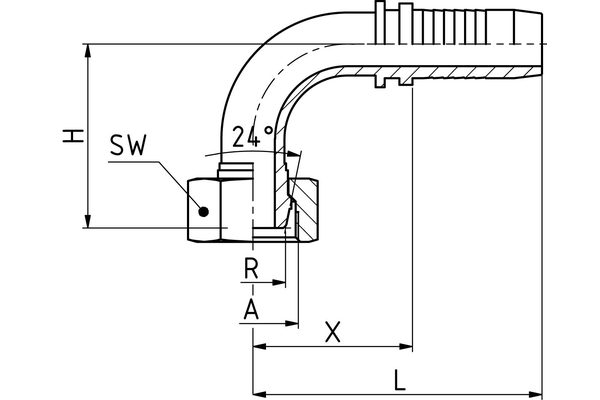
Données techniques
DN: 5 Size: 3 Pouce: 3/16" Filetage + norme: Cône d’étanchéité avec écrou-raccord, série légère Filetage de raccord A: M 12 x 1,5 Ø tube R [mm]: 6 X [mm]: 29 H [mm]: 33 SW1 [mm]: 14 Degré: 90 Désignation de raccord Indunorm: MSF 90° INOX Forme: 90° Gamme d'embout à sertir: XP INOX Matériau: Acier inoxydable 1.4571 Type de raccord: DKL 90° INOX

