Informations produits
-
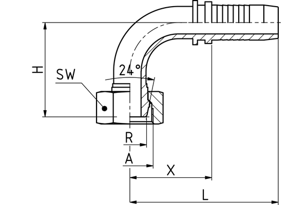
Données techniques
DN: 8 Size: 5 Pouce: 5/16" Filetage + norme: Cône d’étanchéité avec écrou-raccord, série légère Filetage de raccord A: M 14 x 1,5 Ø tube R [mm]: 8 X [mm]: 35,5 H [mm]: 41 SW1 [mm]: 17 Degré: 90 Désignation de raccord Indunorm: MSF 90° INOX Forme: 90° Gamme d'embout à sertir: XP INOX Matériau: Acier inoxydable 1.4571 Type de raccord: DKL 90° INOX

