Informations produits
-
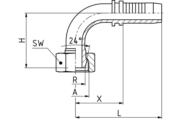
Données techniques
DN: 12 Size: 8 Pouce: 1/2" Filetage + norme: Cône d’étanchéité avec écrou-raccord, série légère Filetage de raccord A: M 22 x 1,5 Ø tube R [mm]: 15 X [mm]: 44 H [mm]: 40 SW1 [mm]: 27 Degré: 90 Désignation de raccord Indunorm: MSF 90° INOX Forme: 90° Gamme d'embout à sertir: XP INOX Matériau: Acier inoxydable 1.4571 Type de raccord: DKL 90° INOX

