Informations produits
-
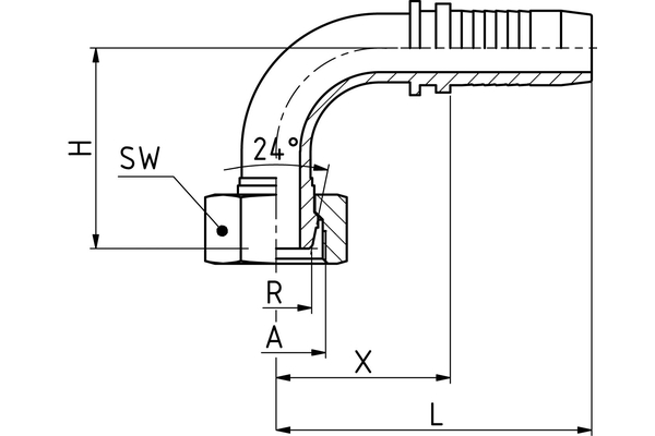
Données techniques
DN: 19 Size: 12 Pouce: 3/4" Filetage + norme: Cône d’étanchéité avec écrou-raccord, série légère Filetage de raccord A: M 30 x 2 Ø tube R [mm]: 22 X [mm]: 61 H [mm]: 53 SW1 [mm]: 36 Degré: 90 Désignation de raccord Indunorm: MSF 90° INOX Forme: 90° Gamme d'embout à sertir: XP INOX Matériau: Acier inoxydable 1.4571 Type de raccord: DKL 90° INOX

