Informations produits
-
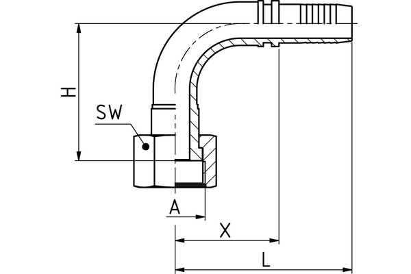
Données techniques
DN: 25 Size: 16 Pouce: 1" Filetage + norme: Forme d'étanchéité ORFS avec écrou-raccord, filetage UN/UNF/UNS Filetage de raccord A: 1. 7/16"-12 X [mm]: 83,5 H [mm]: 66 SW1 [mm]: 41 Degré: 90 Désignation de raccord Indunorm: LORF 90° INOX Forme: 90° Gamme d'embout à sertir: XP INOX Matériau: Acier inoxydable 1.4571 Type de raccord: ORFS 90° avec écrou-raccord

