Informations produits
-
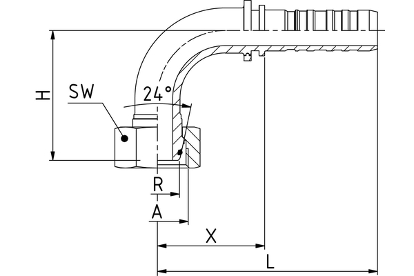
Données techniques
DN: 31 Size: 20 Pouce: 1.1/4" Filetage de raccord A: M52x2,0 Ø tube R [mm]: 38 X [mm]: 95,0 H [mm]: 92,0 SW1 [mm]: 60 Degré: 90 Désignation de raccord Indunorm: MSOF 90° Forme: 90° Gamme d'embout à sertir: Programme multispiral HNS No-Skive Matériau: Acier galvanisé Matériau: Acier galvanisé Type de raccord: DKOS 90°

