Informations produits
-
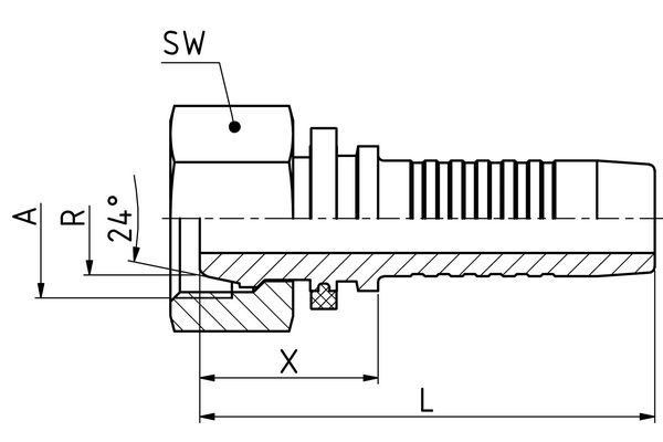
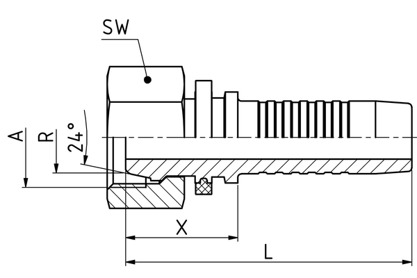
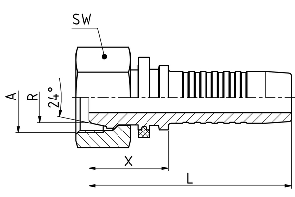
Données techniques
DN: 10 Size: 06 Pouce: 3/8 Filetage + norme: Cône d’étanchéité avec écrou-raccord, série légère Filetage de raccord A: M18x1,5 Ø tube R [mm]: 12 X [mm]: 26,5 L1 [mm]: 60,0 SW1 [mm]: 22 Désignation de raccord Indunorm: MSF Forme: 0° Gamme d'embout à sertir: Programme universel XV Matériau: Acier de décolletage Surface: Chrome III Type de raccord: DKL

