Informations produits
-
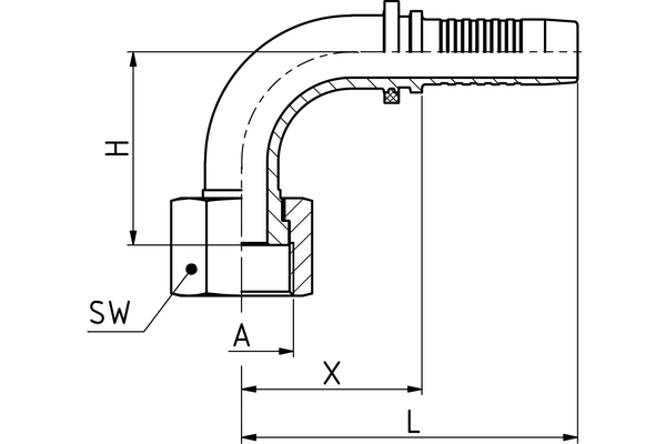
Données techniques
DN: 06 Size: 04 Pouce: 1/4 Filetage + norme: Forme d'étanchéité ORFS avec écrou-raccord, filetage UN/UNF/UNS Filetage de raccord A: 9/16"-18 UNF X [mm]: 32,8 L1 [mm]: 63,0 H [mm]: 58,0 SW1 [mm]: 17 Désignation de raccord Indunorm: LORF 90° SL Forme: 90° Gamme d'embout à sertir: Programme universel XV Matériau: Acier de décolletage Résistance à la rouille blanche [h]: 72 Résistance à la rouille rouge [h]: 144 Type de raccord: ORFS 90° avec longueur de tige spéciale et écrou-raccord

