Informations produits
-
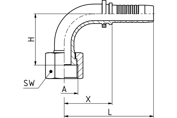
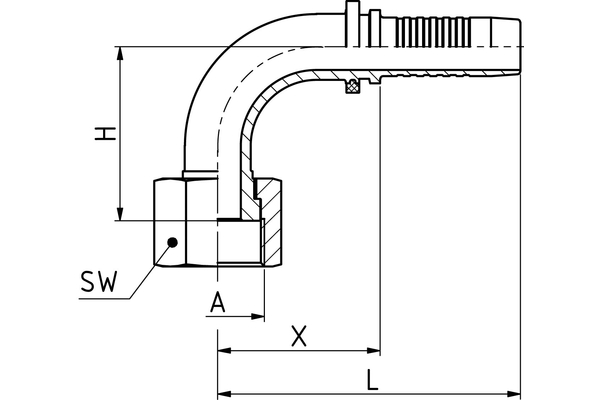
Données techniques
DN: 25 Size: 16 Pouce: 1 Filetage + norme: Forme d'étanchéité ORFS avec écrou-raccord, filetage UN/UNF/UNS Filetage de raccord A: 1.7/16"-12 UN X [mm]: 61,4 L1 [mm]: 116,6 H [mm]: 114,0 SW1 [mm]: 41 Désignation de raccord Indunorm: LORF 90° SL Forme: 90° Gamme d'embout à sertir: Programme universel XV Matériau: Acier de décolletage Résistance à la rouille blanche [h]: 72 Résistance à la rouille rouge [h]: 144 Type de raccord: ORFS 90° avec longueur de tige spéciale et écrou-raccord

