Informations produits
-
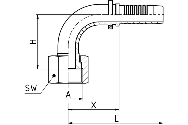
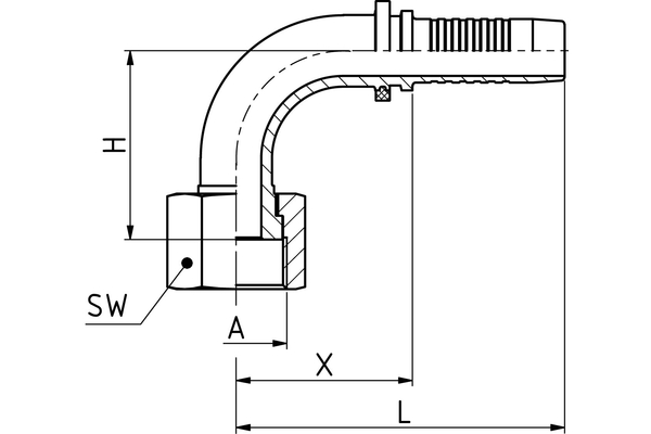
Données techniques
DN: 19 Size: 12 Pouce: 3/4 Filetage + norme: Forme d'étanchéité ORFS avec écrou-raccord, filetage UN/UNF/UNS Filetage de raccord A: 1"3/16-12 UN X [mm]: 52,0 L1 [mm]: 106,0 H [mm]: 46,0 SW1 [mm]: 36 Désignation de raccord Indunorm: LORF 90° Forme: 90° Gamme d'embout à sertir: Programme universel XV Matériau: Acier de décolletage Résistance à la rouille blanche [h]: 72 Résistance à la rouille rouge [h]: 144 Type de raccord: ORFS 90° avec écrou-raccord

