Informations produits
-
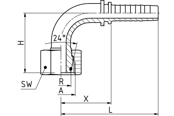
Données techniques
DN: 8 Size: 05 Pouce: 5/16" Filetage + norme: Cône d’étanchéité avec joint torique conforme à la norme DIN 3865 (convient pour les embouts 24° selon DIN 3901 et 3902), écrou-raccord, série lourde Ø tube R [mm]: 12 H [mm]: 35,0 d [mm]: 5,5 Pipe E [mm]: 12 T: M20x1,5 E [mm]: 24 C [mm]: 31,0 L [mm]: 58,5 Désignation de raccord Indunorm: MSOF 90° Forme: 90° Gamme d'embout à sertir: VC Matériau: Acier de décolletage Type de raccord: DKOS 90°

