Informations produits
-
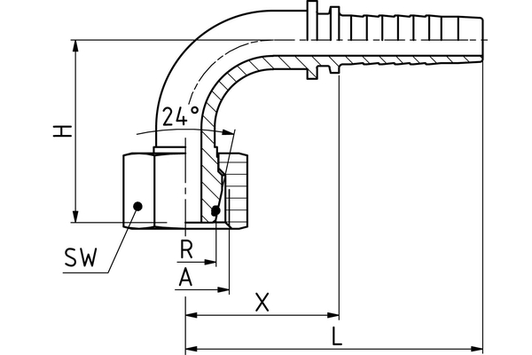
Données techniques
DN: 25 Size: 16 Pouce: 1" Filetage + norme: Cône d’étanchéité avec joint torique conforme à la norme DIN 3865 (convient pour les embouts 24° selon DIN 3901 et 3902), écrou-raccord, série lourde Ø tube R [mm]: 30 H [mm]: 74,0 d [mm]: 20,0 Pipe E [mm]: 30 T: M42x2 E [mm]: 50 C [mm]: 72,0 L [mm]: 120,0 Désignation de raccord Indunorm: MSOF 90° Forme: 90° Gamme d'embout à sertir: VC Matériau: Acier de décolletage Type de raccord: DKOS 90°

