Informations produits
-
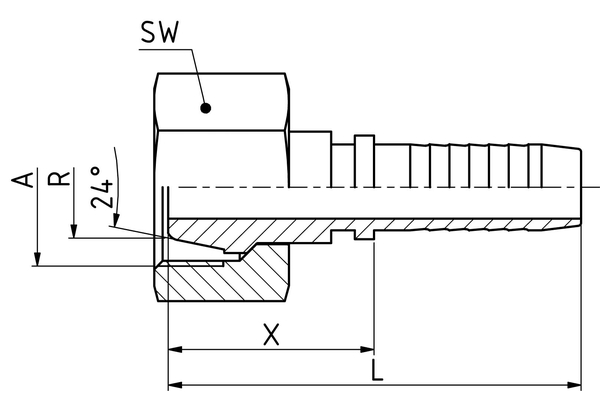
Données techniques
DN: 8 Size: 5 Pouce: 5/16" Filetage + norme: Cône d’étanchéité avec écrou-raccord, série légère Filetage de raccord A: M 16 x 1,5 Ø tube R [mm]: 10 X [mm]: 22 SW1 [mm]: 19 Désignation de raccord Indunorm: MSF INOX Forme: 0° Gamme d'embout à sertir: XP INOX Matériau: Acier inoxydable 1.4571 Type de raccord: DKL INOX

