Informations produits
-
Données techniques
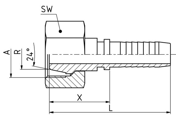
DN: 31 Size: 20 Pouce: 1 1/4" Filetage + norme: Cône d’étanchéité avec écrou-raccord, série légère Filetage de raccord A: M 45 x 2 Ø tube R [mm]: 35 X [mm]: 33 SW1 [mm]: 50 Désignation de raccord Indunorm: MSF INOX Forme: 0° Gamme d'embout à sertir: XP INOX Matériau: Acier inoxydable 1.4571 Type de raccord: DKL INOX

