Informations produits
-
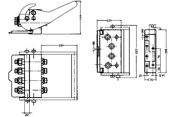
Données techniques
DN: 10 Size: 06 Pression de service [bar]: 250 Filetage + norme: CE Filetage mâle série légère, DIN 3861 Filetage de raccordement [GA]: M22x1,5 Ø tube R [mm]: 15L Nombre d'inserts hydrauliques: 4 Série: 2P No d'identifiant du fabricant: 2PS06-4-2/22F C Nombre max. d'inserts électriques: 1 Nombre max. d'inserts hydrauliques: 4 l/min pour ΔP=2 bar: DN 10 : 40 l/min Affectation maximale du multi-coupleur: 4 Domaine d'application: Industrie, génie agricole, agrégats, machines de construction Matériau: Aluminium & Acier Matériau étanchéité: NBR & PUR Plage de température [°C]: -25°C / +100°C Raccord femelle ou raccord mâle: Raccord femelle Résistance à la rouille rouge [h]: 500 Std. Surface: Chrome III

