Notre numéro de service :

+49 2845 2950-0

Nous attendons votre message avec impatience !

Formulaire de contact

Se connecter dans InduShop

Se connecter
Speciale aanbieding
Du 04/02/2026 au 04/03/2026
  • Bienvenue chez Indunorm Hydraulik | Réservé aux professionnels
  • 5€ Avantage en cas de commande tôt le matin
  • Livraison gratuite à partir de 250€
  • Conseil technique

OGV raccord femelle

Détails

DN
20
25
25
38
50
Size
12
16
20
24
32
Pression de service [bar]
350
350
350
350
350
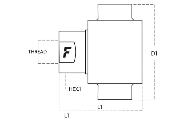
Filetage + norme
NPT Filetage femelle ANSI B1.20.3
NPT Filetage femelle ANSI B1.20.3
NPT Filetage femelle ANSI B1.20.3
NPT Filetage femelle ANSI B1.20.3
NPT Filetage femelle ANSI B1.20.3
Filetage de raccordement [GA]
3/4"
1"
1.1/4"
1.1/2"
2"
Diamètre extérieur raccord femelle [mm]
55,0
105,5
118,2
147,0
170,0
Longueur raccord femelle [mm]
72,2
87,6
111,9
127,1
154,2
SW [mm]
32
41
50
55
75
SW1 [mm]
32
41
50
55
75
l/min pour ΔP=2 bar
120
230
320
330
570
Quantité
 

Informations produits

  • Données techniques
    Domaine d'application: 500
    Matériau boîtier: Acier
    Matériau étanchéité: NBR & PUR
    Plage de température [°C]: -25°C à +100°C
    Raccord femelle ou raccord mâle: Raccord femelle
    Résistance à la rouille rouge [h]: 500
    Surface: Mate 500 (chrome III)

Avantages

Coupleur à vis standard pour le secteur du pétrole/gaz. En forme de douille, avec valve conique et raccord fileté ACME

En plus des produits Indunorm, nous distribuons entre autres des produits des marques suivantes :