Informations produits
-
Données techniques
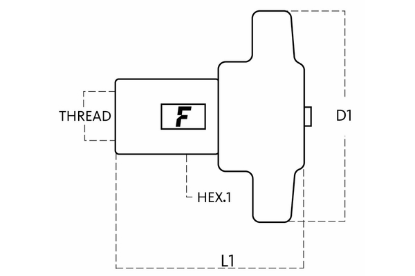
BG: 8 DN: 32 Size: 20 Pression de service [bar]: 220 Filetage + norme: NPT Filetage femelle ANSI B1.20.3 Filetage de raccordement [GA]: 1.1/4" Diamètre extérieur raccord femelle [mm]: 127,0 Longueur raccord femelle [mm]: 95,0 SW1 [mm]: 45 l/min pour ΔP=2 bar: 220 Domaine d'application: Industrie automobile Matériau boîtier: Laiton Matériau étanchéité: NBR Plage de température [°C]: -25°C à +125°C Raccord femelle ou raccord mâle: Raccord femelle

