Avantage en cas de commande tôt le matin
En cas de réception de commande avant 09h30, vous obtiendrez une remise supplémentaire de 5 €
(valable pour tous les envois de colis vers AT, BE, CH, DE, DK, FR, LU, NL)
Notre numéro de service :
+49 2845 2950-0
Nous attendons votre message avec impatience !
Se connecter dans InduShop
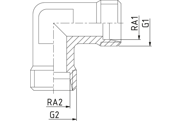
Référence: RV20W-S/KÖ-VA
Numéro de liste: 14001260
Sous réserve de modifications techniques.
Accessoires recommandés:
En plus des produits Indunorm, nous distribuons entre autres des produits des marques suivantes :