Informations produits
-
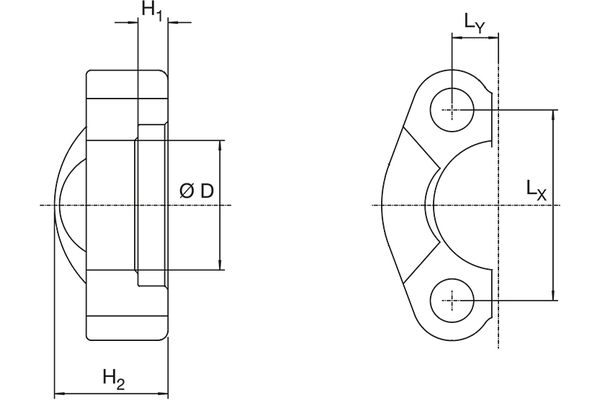
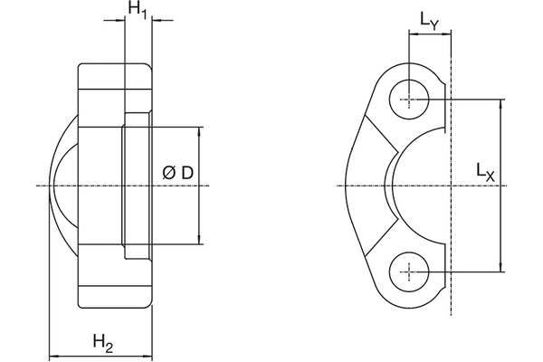
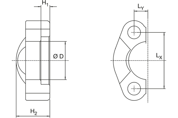
Données techniques
DN: 51 Size: 32 Pouce: 2 Pression de service [bar]: 200 H1 [mm]: 9,0 H2 [mm]: 26 G: M14x35 E [mm]: 26,0 F [mm]: 14,5 Lx [mm]: 77,80 Ly [mm]: 21,40 Ø D1 [mm]: 62,70

