Notre numéro de service :

+49 2845 2950-0

Nous attendons votre message avec impatience !

Formulaire de contact

Se connecter dans InduShop

Se connecter
Speciale aanbieding
Du 29/04/2026 au 01/07/2026
  • Bienvenue chez Indunorm Hydraulik | Réservé aux professionnels
  • 5€ Avantage en cas de commande tôt le matin
  • Livraison gratuite à partir de 250€
  • Conseil technique

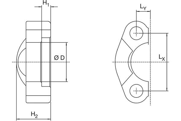
Demi-bride, version normale 3000 PSI

Détails

DN
12
16/19
25
31
31
31
38
38
51
51
Size
08
12
16
20
20
20
24
24
32
32
Pouce
1/2
3/4
1
1.1/4
1 1/4
1 1/4
1.1/2
1 1/2
2
2
Pression de service [bar]
350
350
315
250
250
250
200
200
200
200
H1 [mm]
6,2
6,2
7,5
7,5
7,5
7,5
7,5
7,5
9,0
9,0
H2 [mm]
19
22
24
22
22
22
25
25
26
26
G
M8x25
M10x30
M10x30
M10x30
M10x30
M12x35
M12x35
M14x35
M12x35
M14x35
Quantité
 

En plus des produits Indunorm, nous distribuons entre autres des produits des marques suivantes :