Informations produits
-
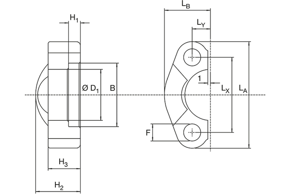
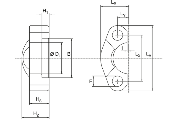
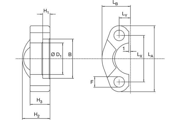
Données techniques
DN: 16/19 Size: 12 Pouce: 3/4 Pression de service [bar]: 420 H1 [mm]: 8,3 H2 [mm]: 28 G: M10x35 E [mm]: 28,0 Lx [mm]: 50,8 Ly [mm]: 11,80 Ø D1 [mm]: 32,5

