Notre numéro de service :

+49 2845 2950-0

Nous attendons votre message avec impatience !

Formulaire de contact

Se connecter dans InduShop

Se connecter
Speciale aanbieding
Du 29/04/2026 au 01/07/2026
  • Bienvenue chez Indunorm Hydraulik | Réservé aux professionnels
  • 5€ Avantage en cas de commande tôt le matin
  • Livraison gratuite à partir de 250€
  • Conseil technique

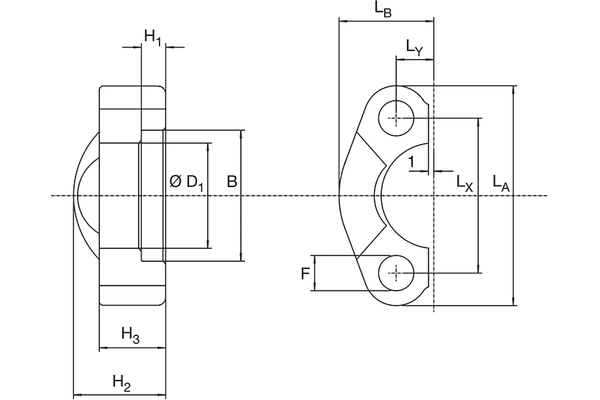
Demi-bride, version normale 6000 PSI

Détails

Référence
RX08SFC6
%
SALE
RX12SFC6
%
SALE
RX16SFC6
%
SALE
RX20SFC6
%
SALE
RX24SFC6
%
SALE
RX32SFC6
%
SALE
DN
12
16/19
25
31
38
51
Size
08
12
16
20
24
32
Pouce
1/2
3/4
1
1.1/4
1.1/2
2
Pression de service [bar]
420
420
420
420
420
420
H1 [mm]
7,2
8,3
9,0
9,8
12,1
12,1
H2 [mm]
22
28
32
38
42
52
G
M8x30
M10x35
M12x45
M14x45
M16x55
M20x70
Quantité
 

En plus des produits Indunorm, nous distribuons entre autres des produits des marques suivantes :