Informations produits
-
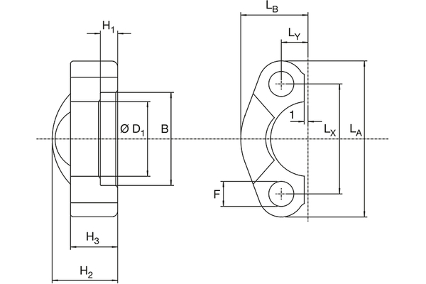
Données techniques
DN: 38 Size: 24 Pouce: 1.1/2 Pression de service [bar]: 420 H1 [mm]: 12,1 H2 [mm]: 42 G: M16x55 E [mm]: 43,0 Lx [mm]: 79,0 Ly [mm]: 18,30 Ø D1 [mm]: 51,6

