Informations produits
-
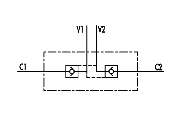
Données techniques
Pression de service [bar]: 350 Filetage + norme: G 1/2" L Filetage de fixation: 1/2" L Poids [kg]: 1,042 L1 [mm]: 142 Débit max. [l/min]: 50 Pression d'ouverture [bar]: 6 H [mm]: 45 Rapport de déverrouillage: 1:5 V1-V2 C1-C2 [GAS - MET]: G 1/2" L L [mm]: 90 S [mm]: 35 L2 [mm]: 45 L3 [mm]: 12,5

