Notre numéro de service :

+49 2845 2950-0

Nous attendons votre message avec impatience !

Formulaire de contact

Se connecter dans InduShop

Se connecter
Speciale aanbieding
Du 29/04/2026 au 01/07/2026
  • Bienvenue chez Indunorm Hydraulik | Réservé aux professionnels
  • 5€ Avantage en cas de commande tôt le matin
  • Livraison gratuite à partir de 250€
  • Conseil technique

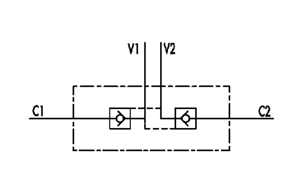
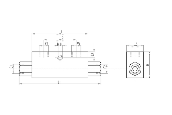
Clapet anti-retour- à action double - RSV-DW

Détails

Pression de service [bar]
350
350
350
350
350
350
300
Filetage + norme
G 1/4" L
G 3/8" L
G 1/2" L
G 3/8"
M18x1,5 L
G 1/2"
G 3/4"
Filetage de fixation
1/4" L
3/8" L
1/2" L
3/8"
M18x1,5 L
1/2"
3/4"
Poids [kg]
0,636
0,736
1,042
1,174
0,630
1,284
1,916
L1 [mm]
113
128
142
156
118
144
192
Débit max. [l/min]
20
35
50
45
35
70
100
Pression d'ouverture [bar]
4
3
6
8
4
3,5
2
H [mm]
40
40
45
45
40
60
60
Rapport de déverrouillage
1:5,5
1:5,5
1:5
1:5
1:5,5
1:4
1:4
V1-V2 C1-C2 [GAS - MET]
G 1/4" L
G 3/8" L
G 1/2" L
G 3/8"
M18x1,5 L
G 1/2"
G 3/4"
L [mm]
64
80
90
90
68
80
100
S [mm]
30
30
35
35
30
35
40
Quantité
 

En plus des produits Indunorm, nous distribuons entre autres des produits des marques suivantes :