Informations produits
-
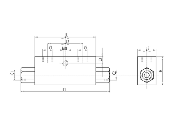
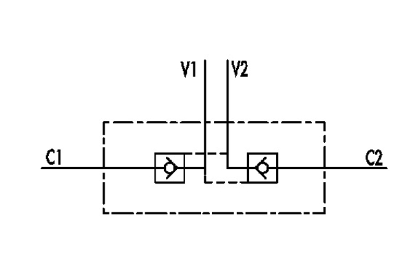
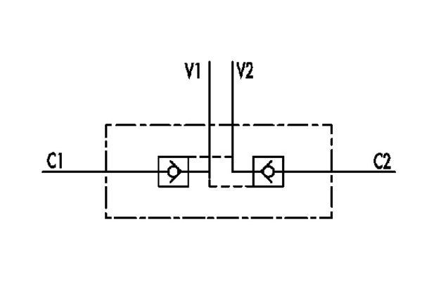
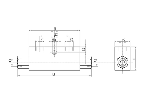
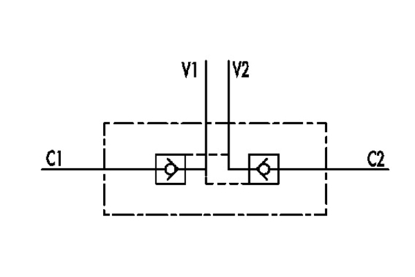
Données techniques
Pression de service [bar]: 350 Filetage + norme: M18x1,5 L Filetage de fixation: M18x1,5 L Poids [kg]: 0,630 L1 [mm]: 118 Débit max. [l/min]: 35 Pression d'ouverture [bar]: 4 H [mm]: 40 Rapport de déverrouillage: 1:5,5 V1-V2 C1-C2 [GAS - MET]: M18x1,5 L L [mm]: 68 S [mm]: 30 L2 [mm]: 38 L3 [mm]: 8

