Informations produits
-
Données techniques
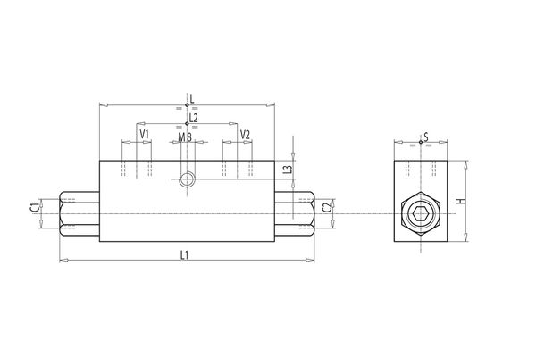
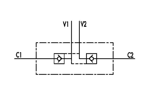
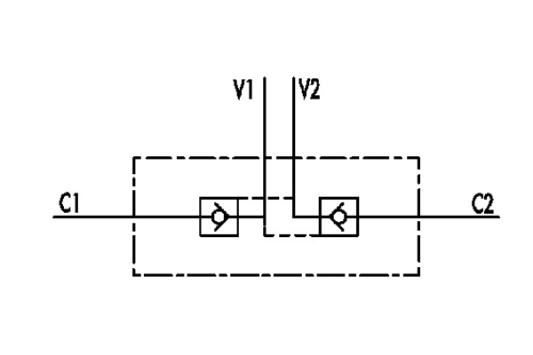
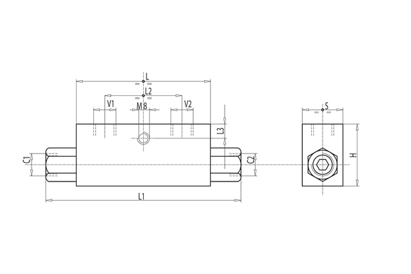
Pression de service [bar]: 350 Filetage + norme: G 3/8" L Filetage de fixation: 3/8" L Poids [kg]: 0,736 L1 [mm]: 128 Débit max. [l/min]: 35 Pression d'ouverture [bar]: 3 H [mm]: 40 Rapport de déverrouillage: 1:5,5 V1-V2 C1-C2 [GAS - MET]: G 3/8" L L [mm]: 80 S [mm]: 30 L2 [mm]: 38 L3 [mm]: 8

